
지난 포스팅에 이어, Arty Z7에서 PetaLinux 구동을 위한 Vivado 환경 구성을 진행한다.
Vivado 개발 환경 구성
chan@chan:~$ source /tools/Xilinx/Vivado/2023.2/settings64.sh
chan@chan:~$ vivado
Vivado Project 생성
Create Project 버튼을 누른다.

프로젝트 이름을 지정하고, 프로젝트를 생성한다.
이 예제에서는 arty-z7-20으로 사용하기로 한다.

설정 변경없이 Next...
Default Part 설정 창이 나오면 Board 탭을 누른다.
좌측 하단의 Refresh 버튼을 눌러 사용 가능한 보드 리스트를 받아온다.

Arty Z7-20을 검색하여 해당 보드를 선택한 후 Next 버튼을 누른다.


Block Design 생성 및 수정
좌측 Flow Navigator의 Create Block Design을 클릭한다.
Block Design의 이름은 임의대로 설정한다.(예제에서는 기본값인 design_1을 사용한다.)

Design이 생성되었다.
우측 Diagram에서 + 버튼을 눌러 ZYNQ Processing System을 생성한다.
요상하게 생긴 녀석(?)이 생성된다

Board 탭으로 가서 Board에서 사용할 수 있는 I/O들을 활성화한다.
- 2 RGB LEDS
- 2 Switches
- 4 Button
- 4 LEDs
- Shield Pins 0 through 13
- Shield Pins 26 to 41
- SPI connector J6

구성이 완료되면, Run Block Automation과 Run Connection Automation 버튼을 누른다.


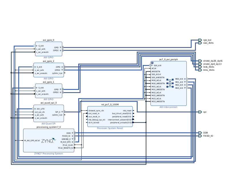
모든 과정이 완료된 뒤, 아래와 같이 복잡한 모양의 Design이 생성되었다.(우웩)

이후, HDL Wrapper를 생성한다.

모든 하드웨어 구성이 완료되었으니, Synthesis -> Implementation -> Bitstream 생성을 진행한다.
좌측 Flow Navigator의 Generate Bitstream 버튼을 클릭한다.


생성이 완료되면, 아래와 같은 Alert이 출력된다.
Cancel을 클릭한다.

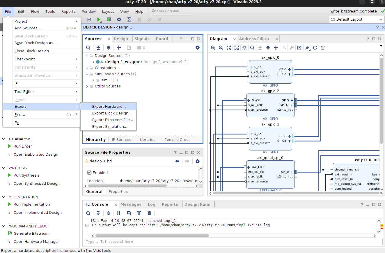
Export
PetaLinux 빌드를 위해서는 Design 정보가 포함된 .XSA파일이 필요하다.
위의 파일을 생성해보자.
File->Export->Export Hardware를 선택한다.

Output에서 Include bitstream을 선택한다.


Vivado 설정이 완료되었으니, 다음 포스팅에서는 생성된 XSA를 이용해 PetaLinux를 build해보자.
'프로그래밍 > XILINX' 카테고리의 다른 글
| [FPGA] Arty Z7-20에 PetaLinux 올리기 - 다양한 Package 추가하기(4) (0) | 2024.03.03 |
|---|---|
| [FPGA] Arty Z7-20에 PetaLinux 올리기 - SDK Build(3) (0) | 2024.02.10 |
| [FPGA] Arty Z7-20에 PetaLinux 올리기 - 개발 환경 구성(1) (0) | 2024.02.04 |